Product Features
Product advantages:
The product is equipped with durable contacts, which combine the dual advantages of low resistance signal transmission and high mechanical durability. It perfectly adapts to the long-term continuous operation needs of electric drying racks, such as travel limit, gear switching, and one click lifting, and builds a strong control line for the safe and efficient operation of home drying equipment.
Key Features:
·Waterproof and dustproof (IP67) design
·Small in size and tight in grip
·Having global safety certification
·Long lifespan, high reliability
·Equipped with various forms of operating handles
·The types of wire connectors are complete
·Widely used in fields such as automotive control, home appliance control, industrial control, etc
·Various installation dimensions meet different installation requirements
Technical parameters:
Operating Voltage | 125/250VAC 30VDC |
Rated Current | 5A |
Contact Resistance | 100mΩ Max. |
Insulation Resistance | 100mΩ Min. |
Contact Form | Single Knife Double Throw (SPDT) |
Operating Force (OF) | customizable |
Operating Temperature | -40℃~+85℃ |
Contact Material | customizable |
Electrical Life | 50,000次 Min. |
Mechanical Life | 50,000次 Min. |
Protection Class | IP67 |
Terminal & Lever | With roller handle |
Outline | customizable |
Withstand Voltage | 500 VAC (50~60HZ) leakage current<10mA --Between terminals. 1000 VAC (50~60HZ) current<10mA --Between terminals and non current carrying metal components --Terminal and shell |
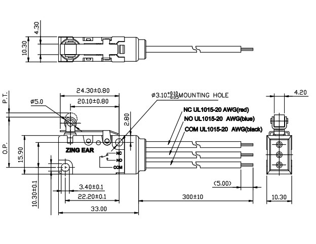
Drawings:

Related Products
ZINGEAR micro switch G5W11-WZ200-W2 explosion-proof micro switch
ZINGEAR G5W11-WZ200A06-W2 Explosion proof Micro Switch - Micro Switch Manufacturer
ZINGEAR G5W11-WZ200A04-W2 Home Appliances Gardening Equipment Switch - Micro Switch Manufacturer
ZINGEAR G5W11-WZ200A01-W2 Home Appliance Micro Switch - Micro Switch Supplier
ZINGEAR Group G5W11-WZ200A02-W2 Household Appliance Micro Switch
ZINGEAR Group G5W11-WZ200A07-W2 Micro Switch for Household Appliances
ZINGEAR Group G5W11-WZ200A01-W2 Light Touch Micro Switch
ZINGEAR Group G5W11-EZ200-W2 Micro Switch
Why choose
ZINGEAR micro switches
Global OEM supplier, trusted by European, Asian, and South American brands
Strict quality control system: IQC → IPQC → FQC → OQC
Comprehensive authentication support
Short delivery time, stable mass production
FAQ
-
G5 Basic Micro Switch: ZING EAR Micro Switch Source Factory & ApplicationsThe G5 basic micro switch is one of the most foundational and widely utilized snap-action switches in electromechanical design. Characterized by its robust, standard size and proven reliability, the G5 series is a versatile component found in countless devices and machines across the globe.













