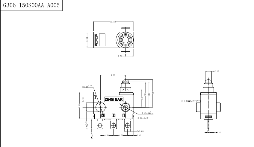
G306-150S00AA-A005
A sealed small micro switch is a type of switch that has a small contact spacing and a fast acting mechanism. It is a contact mechanism that operates with a specified stroke and force. It is covered by a housing and has a driving rod on the outside. Due to its small contact spacing, it is called a micro switch. Widely used in various fields such as automotive control, home appliances, and industrial control.














