Product advantages:
The product is equipped with durable contact core components, which have the dual advantages of low resistance signal transmission and high mechanical durability. It perfectly adapts to key functional modules such as water level detection, humidity control, and fan start stop of dehumidifiers, ensuring that the equipment does not jam or fail during high-frequency start stop and long-term operation.
ZINGEAR micro switch empowers home appliance upgrades with high-precision control, safeguarding a comfortable home environment.
Key Features:
·Waterproof and dustproof (IP67) design
·Small in size and tight in grip
·Having global safety certification
·Long lifespan, high reliability
·Equipped with various forms of operating handles
·The types of wire connectors are complete
·Widely used in fields such as automotive control, home appliance control, industrial control, etc
·Various installation dimensions meet different installation requirements
Technical parameters:
Operating Voltage | 250VAC |
Rated Current | 16A |
Contact Resistance | 100mΩ Max. |
Insulation Resistance | 100mΩ Min. |
Contact Form | Single Knife Double Throw (SPDT) |
Operating Force (OF) | customizable |
Operating Temperature | -25℃~+125℃ |
Contact Material | customizable |
Electrical Life | 50,000次 Min. |
Mechanical Life | 100,000次 Min. |
Protection Class | IP40 |
Terminal & Lever | Short roller straight handle |
Outline | basic type |
Withstand Voltage | 500 VAC (50~60HZ) leakage current<10mA --Between terminals. 1000 VAC (50~60HZ) current<10mA --Between terminals and non current carrying metal components --Terminal and shell |
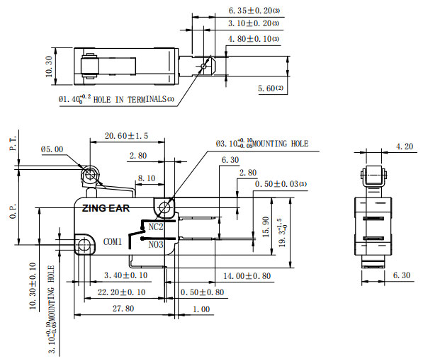
Drawings:
