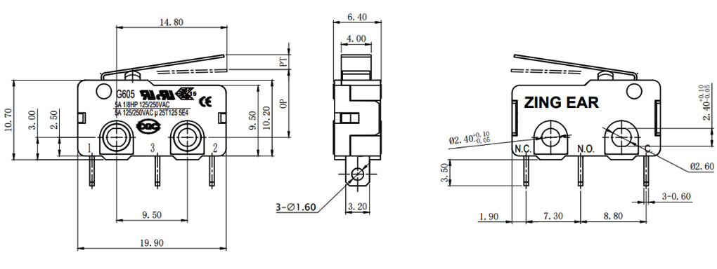
ZINGEAR Group G605-150S01A Industrial Equipment Micro Switch
ZINGEAR Group G605-150S01A industrial equipment micro switch is a high reliability core component specially designed for industrial grade equipment such as food processing machines, accurately meeting the core requirements of equipment for stability, long service life, and strict safety compliance.
Carefully selected corrosion-resistant high-quality materials, combined with ZINGEAR precision manufacturing technology, the switch has good sealing and protection performance, which can easily cope with moisture, dust, and acid-base medium erosion during food processing, and maintain stable and consistent operating performance in industrial continuous production environments.










